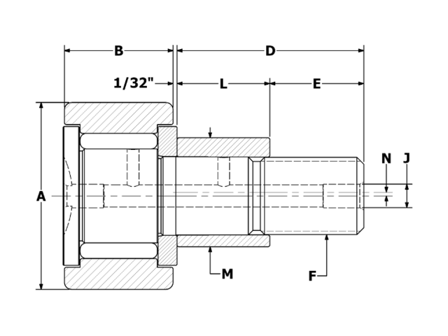
CNBE -Standard Slotted Eccentric Unsealed Cam Follower
| SKU | Bushing Diameter | Bushing Length | Eccentric Offset | Lube Fitting Size | M.E.T. | Min. Boss Diameter | Oil Hole Center | Oil Hole Diameter | Roller O.D. | Roller Width | Stud Length | Thread Class 2A |
|---|---|---|---|---|---|---|---|---|---|---|---|---|
| CNBE-104 | 1.750 | 1.250 | 0.060 | 1/4 | 1 1/4 | 1 3/4 | 5/8 | 1/8 | 3.250 | 1.750 | 2.500 | 1 1/4-12 |
| CNBE-112 | 1.812 | 1.375 | 0.060 | 1/4 | 1 3/8 | 1 59/64 | 11/16 | 1/8 | 3.500 | 2.000 | 2.750 | 1 3/8-12 |
| CNBE-128 | 2.000 | 2.000 | 0.060 | 1/4 | 1 1/2 | 2 9/32 | 3/4 | 1/8 | 4.000 | 2.250 | 3.500 | 1 1/2-12 |
| CNBE-16 | 0.250 | 0.375 | 0.010 | 1/8 | 1/4 | 19/64 | 0.500 | 0.375 | 0.625 | 10-32 | ||
| CNBE-16-N | 0.250 | 0.250 | 0.010 | 1/8 | 1/4 | 19/64 | 0.500 | 0.344 | 0.500 | 10-32 | ||
| CNBE-20 | 0.375 | 0.437 | 0.015 | 1/8 | 5/16 | 23/64 | 0.625 | 0.4375 | 0.750 | 1/4-28 | ||
| CNBE-20-N | 0.375 | 0.313 | 0.015 | 1/8 | 5/16 | 23/64 | 0.625 | 0.406 | 0.625 | 1/4-28 | ||
| CNBE-22 | 0.375 | 0.437 | 0.015 | 1/8 | 5/16 | 23/64 | 0.688 | 0.4375 | 0.750 | 1/4-28 | ||
| CNBE-24 | 0.500 | 0.500 | 0.015 | 3/16 | 3/8 | 1/2 | 1/4 | 3/32 | 0.750 | 0.500 | 0.875 | 3/8-24 |
| CNBE-28 | 0.500 | 0.500 | 0.015 | 3/16 | 3/8 | 1/2 | 1/4 | 3/32 | 0.875 | 0.500 | 0.875 | 3/8-24 |
| CNBE-32 | 0.625 | 0.500 | 0.030 | 3/16 | 1/2 | 41/64 | 1/4 | 3/32 | 1.000 | 0.625 | 1.000 | 7/16-20 |
| CNBE-36 | 0.625 | 0.500 | 0.030 | 3/16 | 1/2 | 41/64 | 1/4 | 3/32 | 1.125 | 0.625 | 1.000 | 7/16-20 |
| CNBE-44 | 0.687 | 0.625 | 0.030 | 3/16 | 5/8 | 49/64 | 5/16 | 3/32 | 1.375 | 0.750 | 1.250 | 1/2-20 |
| CNBE-52 | 0.875 | 0.750 | 0.030 | 3/16 | 3/4 | 57/64 | 3/8 | 3/32 | 1.625 | 0.875 | 1.500 | 5/8-18 |
| CNBE-56 | 1.000 | 0.875 | 0.030 | 3/16 | 7/8 | 1 3/64 | 7/16 | 3/32 | 1.750 | 1.000 | 1.750 | 3/4-16 |
| CNBE-60 | 1.000 | 0.875 | 0.030 | 3/16 | 7/8 | 1 3/64 | 7/16 | 3/32 | 1.875 | 1.000 | 1.750 | 3/4-16 |
| CNBE-72 | 1.187 | 1.000 | 0.030 | 3/16 | 1 | 1 13/64 | 1/2 | 1/8 | 2.250 | 1.250 | 2.000 | 7/8-14 |
| CNBE-80 | 1.375 | 1.125 | 0.030 | 3/16 | 1 1/8 | 1 5/16 | 9/16 | 1/8 | 2.500 | 1.500 | 2.250 | 1-14 |
| CNBE-88 | 1.375 | 1.125 | 0.030 | 3/16 | 1 1/8 | 1 5/16 | 9/16 | 1/8 | 2.750 | 1.500 | 2.250 | 1-14 |
| CNBE-96 | 1.750 | 1.250 | 0.060 | 1/4 | 1 1/4 | 1 3/4 | 5/8 | 1/8 | 3.000 | 1.750 | 2.500 | 1 1/4-12 |
| CNBE-40 | 0.687 | 0.625 | 0.030 | 3/16 | 5/8 | 49/64 | 5/16 | 3/32 | 1.250 | 0.750 | 1.250 | 1/2-20 |
| CNBE-48 | 0.875 | 0.750 | 0.030 | 3/16 | 3/4 | 57/64 | 3/8 | 3/32 | 1.500 | 0.875 | 1.500 | 5/8-18 |
| CNBE-64 | 1.187 | 1.000 | 0.030 | 3/16 | 1 | 1 13/64 | 1/2 | 1/8 | 2.000 | 1.250 | 2.000 | 7/8-14 |
Ready to Get Started?
Whether you need a standard bearing, a custom solution, or a replacement for an obsolete part, Carter Bearings is here to deliver precision, speed, and lasting quality.