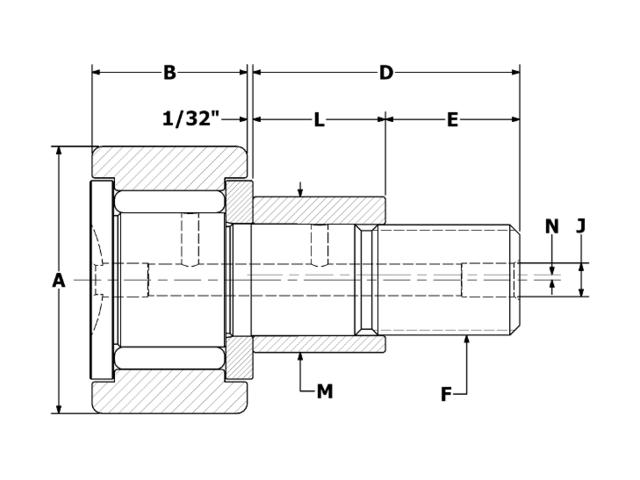
CNBE-44
Specifications
| Attribute | Callout | Value |
|---|---|---|
| Roller O.D. | A | 1.375 in |
| Roller Width | B | 0.750 in |
| Stud Length | D | 1.250 in |
| M.E.T. | E | 5/8 in |
| Thread Class 2A | F | 1/2-20 |
| Oil Hole Center | G | 5/16 in |
| Oil Hole Diameter | H | 3/32 in |
| Lube Fitting Size | J | 3/16 in |
| Bushing Length | L | 0.625 in |
| Bushing Diameter | M | 0.687 in |
| Eccentric Offset | N | 0.030 in |
| Approx Weight | 0.38 lbs | |
| Basic Dynamic Rating | 3,930 lbf | |
| Limiting Speed | 2,800 RPM | |
| Max Static Capacity | 4,250 lbf | |
| Min. Boss Diameter | 49/64 in | |
| Mounting Bore | 0.690 in | |
| Torque | 175 in-lb |
Custom Application
Creating custom solutions or modifying a standard product is our SPECIALTY! Lots of bearing manufacturers can offer you a custom solution, but they can’t do it as quickly as CARTER! Our Engineering and Production is all under one roof, right here in the United States! We have the agility to create and produce a custom solution faster than our competitors, and at a lower cost!
Call 616.842.8760 and speak with one of our customer service reps for more information.

