Hi-Roller
Hi-Roller Bearings and Idler Rollers
When equipment faces heavy radial forces, constant thrust loads, or harsh environmental conditions, standard rollers often fall short. Carter’s Hi-Roller™ Bearings and Idler Rollers are engineered to take on these challenges with strength and precision. Designed with either deep groove ball bearings for high-speed performance or tapered rollers for maximum load capacity, Hi-Rollers keep your systems running smoothly even in demanding industrial applications.
-
CPHR-A -Plain High Roller Crowned Cam Follower (20)
-
CPHRE-A -Plain High Roller Crowned Eccentric Cam Follower (17)
-
FHR-A -Flanged High Roller Cam Follower (19)
-
FHRE-A -Flanged High Roller Eccentric Cam Follower (17)
-
FHRY-A -Flanged High Yoke Roller (15)
-
PHR-A -Plain High Roller Cam Follower (20)
-
PHRE-A -Plain High Roller Eccentric Cam Follower (17)
-
PHRY-A -Plain High Yoke Roller (15)
-
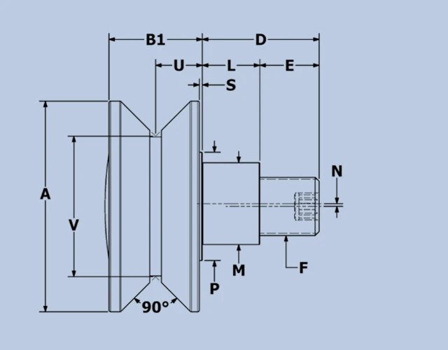
VHR-A -V-Groove High Roller Cam Follower (9)
-
VHRE-A -V-Groove High Roller Eccentric Cam Follower (8)
-
VHRY-A -Grooved High Yoke Roller (10)
Why Hi-Roller™ Bearings?
- Flexible Design: Choose between deep groove or tapered roller bearings depending on your load and speed requirements.
- Configurable Options: Available in stud and yoke styles, with plain, flanged, or V-groove housings.
- Durability Built In: Sealed to withstand high dust, moisture, and heavy-use environments.
- Versatility: Suited for conveyor systems, load transfer, and other high-capacity industrial equipment.
Applications
Hi-Roller™ Bearings and Idler Rollers are engineered for a variety of heavy-duty applications, including:
Manufactured with Precision
Every Hi-Roller™ Bearing is produced in our Grand Haven, Michigan facility under ISO 9001:2015 certification. By combining in-house engineering with strict quality control, we ensure consistent performance and long service life for demanding industrial operations.
Ready to Order?
When your application requires strength, speed, and long-lasting performance, Carter’s Hi-Roller™ Bearings and Idler Rollers deliver.