Poly Coated Bearing

Polycoated_Bearings

Polyurethane Coated Cam Followers and Cam Yoke Rollers

In environments where equipment noise, surface wear, and maintenance downtime can slow production, Carter’s Polyurethane Coated Bearings provide the perfect solution. Built with a durable, non-marking polyurethane surface bonded to precision bearings, these cam followers and yoke rollers protect track guides, reduce noise, and improve traction.

Why Polyurethane Coated Bearings?

  • Non-Marking Material: Protects track guides and prevents surface damage
  • Noise Reduction: Operates quieter than traditional bearings
  • Extended Life: Polyurethane improves load traction
  • Custom Options Available: Food-grade polyurethane coated stainless-steel bearings upon request
  • Versatile Configurations: Available in both cam and yoke follower designs
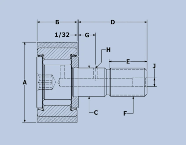
CAD Drawing for Poly-Coated Bearings

Applications

Poly Coated Bearings are used across industries where cleanliness and quiet operation matter most, including:

Carter Manufacturing Advantage

Each Polyurethane Coated Bearing is manufactured in Grand Haven, Michigan under ISO 9001:2015 certified processes. Our in-house engineering and quality control ensure every bearing meets the highest performance standards, giving you the durability and consistency your application requires.

Polycoated_Bearings
CTA Video Placeholder

Ready to Order?

Protect your equipment and improve performance with Carter’s Polyurethane Coated Cam Followers and Yoke Rollers. Engineered for long-lasting, quiet, and clean operation.