Cylindrical Double Row HD
Heavy Cylindrical Roller Bearings
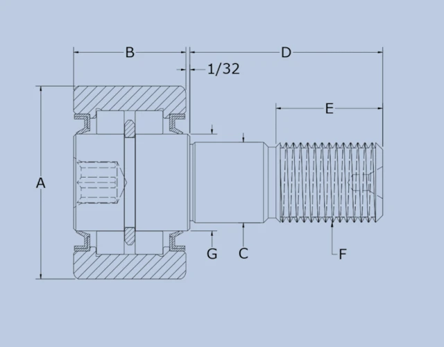
Heavy cylindrical double row roller bearings are engineered to handle the toughest loads while maintaining smooth, efficient operation. With superior sealing, low heat generation, and extended service life, these bearings deliver performance that standard needle bearing cam followers simply can’t match. Available in both stud and yoke styles, they’re built for applications where strength and reliability are critical.
Why Heavy Cylindrical Bearings?
- Double Row Design: Provides greater load capacity and longer life.
- High-Speed Capability: Operates nearly twice the speed of single-row needle bearings.
- VB Lip Seals: Keep debris out while retaining grease, dramatically extending service life.
- Stud and Yoke Options: Flexible mounting configurations for different equipment needs.
Applications
Heavy cylindrical roller bearings excel in demanding environments such as:
Heavy Equipment and Machinery
Mining and Bulk Handling Equipment
Oil and Gas
Lumber and Wood Processing
Robotics and Automation
Heavy Equipment and Machinery
Mining and Bulk Handling Equipment
Oil and Gas
Lumber and Wood Processing
Robotics and Automation
Built for Harsh Environments
Each heavy cylindrical double row bearing is manufactured under ISO 9001:2015 certification to ensure durability and precision. With robust sealing, dependable lubrication retention, and advanced design, these bearings extend service intervals while keeping your machines running longer.
Ready to Order?
Upgrade to heavy cylindrical roller bearings designed for speed, strength, and long service life.