Neverlube
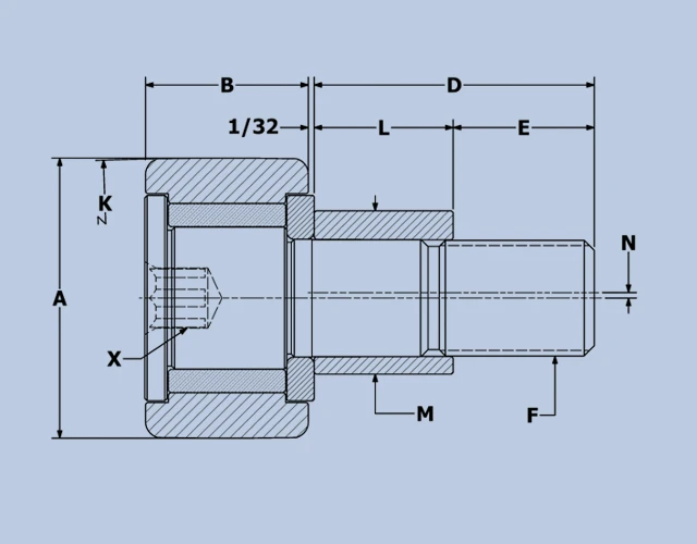
Neverlube™ Cam Followers and Cam Yoke Rollers
Our Neverlube™ Bearings are built for operations where clean, low-maintenance performance is essential. By using a sintered bronze bushing that has self-lubricating properties, oil is continuously released during operation. These cam followers and yoke rollers deliver long-lasting, smooth operation without the need for constant re-lubrication. The result is lower operating costs, less downtime, and cleaner equipment.
-
CNYR -Standard Neverlube Cam Yoke Roller Crowned (18)
-
CSFH-A -Standard Neverlube Cam Follower Crowned (21)
-
CSFHE-A -Standard Neverlube Cam Follower Crowned Eccentric (21)
-
NYR -Standard Neverlube Cam Yoke Roller (18)
-
SFH-A -Standard Neverlube Cam Follower (21)
-
SFHE-A -Standard Neverlube Cam Follower Eccentric (21)
Why Choose Neverlube™ Bearings?
- Self-Lubricating Design: Sintered Bronze bushing provides continuous lubrication.
- Reduced Maintenance: Eliminate routine re-greasing and extend bearing life.
- Clean Operation: Ideal for environments where contamination control is critical.
- Shock and Wear Resistance: Built to withstand demanding applications.
- Interchangeable: Fits standard needle bearing configurations for easy replacement.
Applications
Neverlube™ Bearings are well-suited for industries where uptime and cleanliness are priorities, including:
Carter Manufacturing Advantage
Manufactured in Grand Haven, Michigan under ISO 9001:2015 certification, Neverlube™ Bearings reflect Carter’s commitment to consistent quality and fast delivery. With in-house engineering and production, we provide solutions that meet strict industry requirements without compromising speed or precision.
Ready to Order?
Cut downtime and keep operations cleaner with Carter’s Neverlube™ Cam Followers and Cam Yoke Rollers. Engineered for long-term performance in demanding environments.