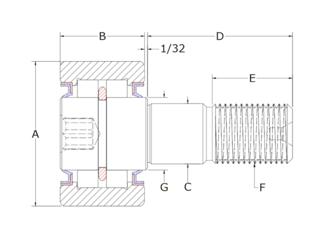
CDR-S -Heavy Cylindrical Roller Bearings, Cam Follower
| SKU | Hex Size | M.E.T. | Roller O.D. | Roller Width | Shoulder Diameter | Stud Diameter | Stud Length | Thread Class 2A |
|---|---|---|---|---|---|---|---|---|
| CDR-400-S | 3/4 | 1 1/2 | 4.000 | 2.250 | 2-1/2 | 1.500 | 3.500 | 1 1/2-14 |
| CDR-150-S | 5/16 | 3/4 | 1.500 | 0.875 | 3/4 | 0.625 | 1.500 | 5/8-18 |
| CDR-200-S | 7/16 | 1 | 2.000 | 1.250 | 1-1/8 | 0.875 | 2.000 | 7/8-14 |
| CDR-175-S | 5/16 | 7/8 | 1.750 | 1.000 | 1 | 0.750 | 1.750 | 3/4-16 |
| CDR-250-S | 1/2 | 1 1/8 | 2.500 | 1.500 | 1-1/4 | 1.000 | 2.250 | 1-14 |
Ready to Get Started?
Whether you need a standard bearing, a custom solution, or a replacement for an obsolete part, Carter Bearings is here to deliver precision, speed, and lasting quality.