SCE-24-SB
Specifications
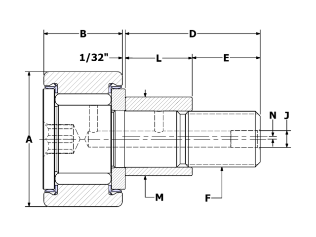
| Attribute | Callout | Value |
|---|---|---|
| Roller O.D. | A | 0.750 in |
| Roller Width | B | 0.500 in |
| Stud Length | D | 0.875 in |
| M.E.T. | E | 3/8 in |
| Thread Class 2A | F | 3/8-24 |
| Oil Hole Center | G | 1/4 in |
| Oil Hole Diameter | H | 3/32 in |
| Lube Fitting Size | J | 3/16 in |
| Bushing Length | L | 0.500 in |
| Bushing Diameter | M | 0.500 in |
| Eccentric Offset | N | 0.015 in |
| Hex Size | X | 3/16 in |
| Approx Weight | 0.086 lbs | |
| Basic Dynamic Rating | 1,490 lbf | |
| Limiting Speed | 6,400 RPM | |
| Max Static Capacity | 1,500 lbf | |
| Min. Boss Diameter | 1/2 in | |
| Mounting Bore | 0.503 in | |
| Torque | 47.5 in-lb |
Custom Application
Creating custom solutions or modifying a standard product is our SPECIALTY! Lots of bearing manufacturers can offer you a custom solution, but they can’t do it as quickly as CARTER! Our Engineering and Production is all under one roof, right here in the United States! We have the agility to create and produce a custom solution faster than our competitors, and at a lower cost!
Call 616.842.8760 and speak with one of our customer service reps for more information.

