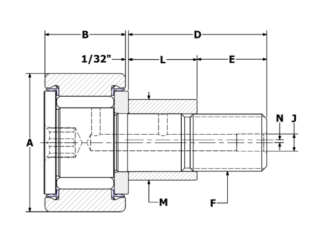
SCE-SB -Standard Stainless Hexed Eccentric Sealed Cam Follower
| SKU | Bushing Diameter | Bushing Length | Eccentric Offset | Hex Size | Lube Fitting Size | M.E.T. | Min. Boss Diameter | Oil Hole Center | Oil Hole Diameter | Roller O.D. | Roller Width | Stud Length | Thread Class 2A |
|---|---|---|---|---|---|---|---|---|---|---|---|---|---|
| SCE-22-SB | 0.375 | 0.437 | 0.015 | 1/8 | 5/16 | 23/64 | 0.688 | 0.4375 | 0.750 | 1/4-28 | |||
| SCE-36-SB | 0.625 | 0.500 | 0.030 | 1/4 | 3/16 | 1/2 | 41/64 | 1/4 | 3/32 | 1.125 | 0.625 | 1.000 | 7/16-20 |
| SCE-56-SB | 1.000 | 0.875 | 0.030 | 5/16 | 3/16 | 7/8 | 1 3/64 | 7/16 | 3/32 | 1.750 | 1.000 | 1.750 | 3/4-16 |
| SCE-60-SB | 1.000 | 0.875 | 0.030 | 5/16 | 3/16 | 7/8 | 1 3/64 | 7/16 | 3/32 | 1.875 | 1.000 | 1.750 | 3/4-16 |
| SCE-32-SB | 0.625 | 0.500 | 0.030 | 1/4 | 3/16 | 1/2 | 41/64 | 1/4 | 3/32 | 1.000 | 0.625 | 1.000 | 7/16-20 |
| SCE-44-SB | 0.687 | 0.625 | 0.030 | 1/4 | 3/16 | 5/8 | 49/64 | 5/16 | 3/32 | 1.375 | 0.750 | 1.250 | 1/2-20 |
| SCE-40-SB | 0.687 | 0.625 | 0.030 | 1/4 | 3/16 | 5/8 | 49/64 | 5/16 | 3/32 | 1.250 | 0.750 | 1.250 | 1/2-20 |
| SCE-20-SB | 0.375 | 0.437 | 0.015 | 1/8 | 5/16 | 23/64 | 0.625 | 0.4375 | 0.750 | 1/4-28 | |||
| SCE-72-SB | 1.187 | 1.000 | 0.030 | 7/16 | 3/16 | 1 | 1 13/64 | 1/2 | 1/8 | 2.250 | 1.250 | 2.000 | 7/8-14 |
| SCE-64-SB | 1.187 | 1.000 | 0.030 | 7/16 | 3/16 | 1 | 1 13/64 | 1/2 | 1/8 | 2.000 | 1.250 | 2.000 | 7/8-14 |
| SCE-24-SB | 0.500 | 0.500 | 0.015 | 3/16 | 3/16 | 3/8 | 1/2 | 1/4 | 3/32 | 0.750 | 0.500 | 0.875 | 3/8-24 |
| SCE-48-SB | 0.875 | 0.750 | 0.030 | 5/16 | 3/16 | 3/4 | 57/64 | 3/8 | 3/32 | 1.500 | 0.875 | 1.500 | 5/8-18 |
| SCE-16-SB | 0.250 | 0.375 | 0.010 | 1/8 | 1/4 | 19/64 | 0.500 | 0.375 | 0.625 | 10-32 | |||
| SCE-52-SB | 0.875 | 0.750 | 0.030 | 5/16 | 3/16 | 3/4 | 57/64 | 3/8 | 3/32 | 1.625 | 0.875 | 1.500 | 5/8-18 |
| SCE-28-SB | 0.500 | 0.500 | 0.015 | 3/16 | 3/16 | 3/8 | 1/2 | 1/4 | 3/32 | 0.875 | 0.500 | 0.875 | 3/8-24 |
| SCE-80-SB | 1.375 | 1.125 | 0.030 | 1/2 | 3/16 | 1 1/8 | 1 5/16 | 9/16 | 1/8 | 2.500 | 1.500 | 2.250 | 1-14 |
Ready to Get Started?
Whether you need a standard bearing, a custom solution, or a replacement for an obsolete part, Carter Bearings is here to deliver precision, speed, and lasting quality.