MCNB-22-SB
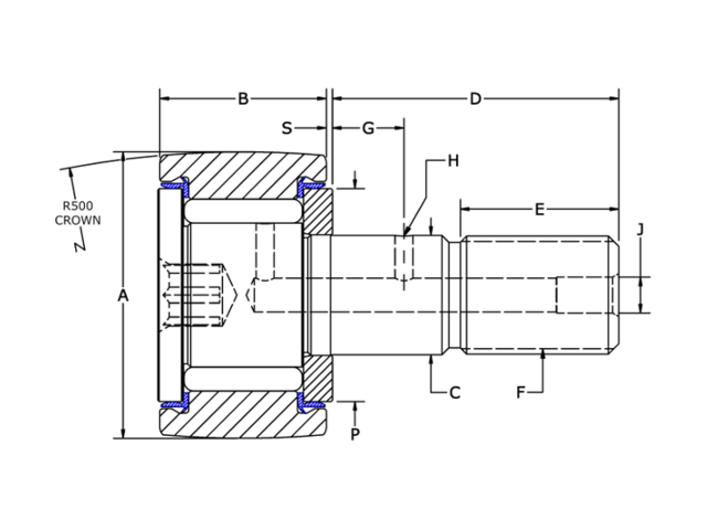
Specifications
| Attribute | Callout | Value |
|---|---|---|
| Roller O.D. | A | 22 mm |
| Roller Width | B | 12 mm |
| Stud Diameter | C | 10 mm |
| Stud Length | D | 23 mm |
| M.E.T. | E | 12 mm |
| Thread Class 6g | F | M10x1.00 |
| Oil Hole Center | G | - mm |
| Oil Hole Diameter | H | - mm |
| Lube Fitting Size | J | 4 mm |
| Endplate Diameter | P | 15 mm |
| Endplate Stickout | S | 0.6 mm |
| Hex Size | X | 4 mm |
| Basic Dynamic Rating | 7,850 newtons | |
| Limiting Speed | 9,000 RPM | |
| Max Static Capacity | 10,400 newtons | |
| Mounting Bore | 10 mm | |
| Torque | 7.5 Nm |
Custom Application
Creating custom solutions or modifying a standard product is our SPECIALTY! Lots of bearing manufacturers can offer you a custom solution, but they can’t do it as quickly as CARTER! Our Engineering and Production is all under one roof, right here in the United States! We have the agility to create and produce a custom solution faster than our competitors, and at a lower cost!
Call 616.842.8760 and speak with one of our customer service reps for more information.

