CYNB-320-S
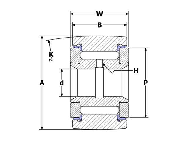
Specifications
| Attribute | Callout | Value |
|---|---|---|
| Roller O.D. | A | 10.000 in |
| Roller Width | B | 5.250 in |
| Oil Hole Diameter | H | 3/8 in |
| Crown Radius | K | 40 in |
| Min. Boss Diameter | P | 5 59/64 in |
| Overall Width | W | 5.5000 in |
| Bore Diameter | d | 4.255 in |
| Basic Dynamic Rating | 131,545 lbf | |
| Limiting Speed | 275 RPM | |
| Max Static Capacity | 431,130 lbf | |
| Shaft Diameter(Ø) Drive Fit | 4.2560 in | |
| Shaft Diameter(Ø) Press Fit | 4.2565 in | |
| Shaft Diameter(Ø) Push Fit | 4.2545 in |
Custom Application
Creating custom solutions or modifying a standard product is our SPECIALTY! Lots of bearing manufacturers can offer you a custom solution, but they can’t do it as quickly as CARTER! Our Engineering and Production is all under one roof, right here in the United States! We have the agility to create and produce a custom solution faster than our competitors, and at a lower cost!
Call 616.842.8760 and speak with one of our customer service reps for more information.

