CYNB-104-S
Specifications
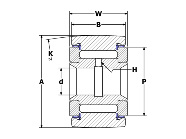
| Attribute | Callout | Value |
|---|---|---|
| Roller O.D. | A | 3.250 in |
| Roller Width | B | 1.750 in |
| Oil Hole Diameter | H | 1/8 in |
| Crown Radius | K | 30 in |
| Min. Boss Diameter | P | 1 3/4 in |
| Overall Width | W | 1.8125 in |
| Bore Diameter | d | 1.000 in |
| Approx Weight | 3.6 lbs | |
| Basic Dynamic Rating | 15,720 lbf | |
| Limiting Speed | 880 RPM | |
| Max Static Capacity | 49,820 lbf | |
| Shaft Diameter(Ø) Drive Fit | 1.0002 in | |
| Shaft Diameter(Ø) Press Fit | 1.0006 in | |
| Shaft Diameter(Ø) Push Fit | 0.9994 in |
Custom Application
Creating custom solutions or modifying a standard product is our SPECIALTY! Lots of bearing manufacturers can offer you a custom solution, but they can’t do it as quickly as CARTER! Our Engineering and Production is all under one roof, right here in the United States! We have the agility to create and produce a custom solution faster than our competitors, and at a lower cost!
Call 616.842.8760 and speak with one of our customer service reps for more information.

