CNBH-48-SB
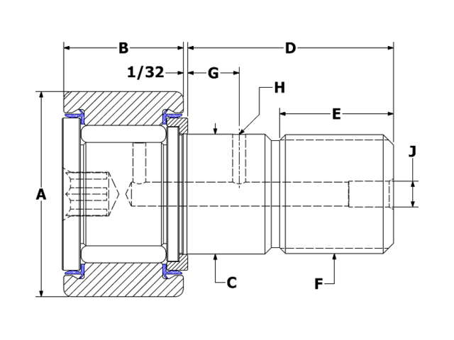
Specifications
| Attribute | Callout | Value |
|---|---|---|
| Roller O.D. | A | 1.500 in |
| Roller Width | B | 0.875 in |
| Stud Diameter | C | 0.875 in |
| Stud Length | D | 1.500 in |
| M.E.T. | E | 3/4 in |
| Thread Class 2A | F | 7/8-14 |
| Oil Hole Center | G | 3/8 in |
| Oil Hole Diameter | H | 3/32 in |
| Lube Fitting Size | J | 3/16 in |
| Hex Size | X | 5/16 in |
| Approx Weight | 0.69 lbs | |
| Basic Dynamic Rating | 4,840 lbf | |
| Limiting Speed | 2,500 RPM | |
| Max Static Capacity | 11,280 lbf | |
| Min. Boss Diameter | 57/64 in | |
| Mounting Bore | 0.875 in | |
| Torque | 750 in-lb |
Custom Application
Creating custom solutions or modifying a standard product is our SPECIALTY! Lots of bearing manufacturers can offer you a custom solution, but they can’t do it as quickly as CARTER! Our Engineering and Production is all under one roof, right here in the United States! We have the agility to create and produce a custom solution faster than our competitors, and at a lower cost!
Call 616.842.8760 and speak with one of our customer service reps for more information.

