CNBH-SB -Standard Heavy Duty Hexed Sealed Cam Follower
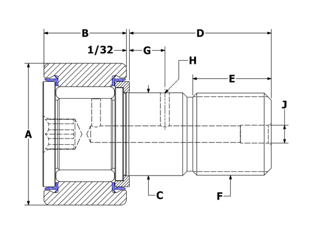
| SKU | Hex Size | Lube Fitting Size | M.E.T. | Min. Boss Diameter | Oil Hole Center | Oil Hole Diameter | Roller O.D. | Roller Width | Stud Diameter | Stud Length | Thread Class 2A |
|---|---|---|---|---|---|---|---|---|---|---|---|
| CNBH-16-SB | 1/8 | 1/4 | 13/32 | 0.500 | 0.375 | 0.250 | 0.625 | 1/4-28 | |||
| CNBH-20-SB | 1/8 | 5/16 | 23/64 | 0.625 | 0.4375 | 0.313 | 0.750 | 5/16-24 | |||
| CNBH-22-SB | 1/8 | 5/16 | 23/64 | 0.688 | 0.4375 | 0.313 | 0.750 | 5/16-24 | |||
| CNBH-112-SB | 3/4 | 1/4 | 1 3/8 | 1 59/64 | 11/16 | 1/8 | 3.500 | 2.000 | 1.750 | 2.750 | 1 3/4-12 |
| CNBH-24-SB | 3/16 | 3/16 | 3/8 | 1/2 | 1/4 | 3/32 | 0.750 | 0.500 | 0.4375 | 0.875 | 7/16-20 |
| CNBH-32-SB | 1/4 | 3/16 | 1/2 | 41/64 | 1/4 | 3/32 | 1.000 | 0.625 | 0.625 | 1.000 | 5/8-18 |
| CNBH-44-SB | 1/4 | 3/16 | 5/8 | 49/64 | 5/16 | 3/32 | 1.375 | 0.750 | 0.750 | 1.250 | 3/4-16 |
| CNBH-28-SB | 3/16 | 3/16 | 3/8 | 1/2 | 1/4 | 3/32 | 0.875 | 0.500 | 0.4375 | 0.875 | 7/16-20 |
| CNBH-48-SB | 5/16 | 3/16 | 3/4 | 57/64 | 3/8 | 3/32 | 1.500 | 0.875 | 0.875 | 1.500 | 7/8-14 |
| CNBH-60-SB | 5/16 | 3/16 | 7/8 | 1 3/64 | 7/16 | 3/32 | 1.875 | 1.000 | 1.000 | 1.750 | 1-14 |
| CNBH-36-SB | 1/4 | 3/16 | 1/2 | 41/64 | 1/4 | 3/32 | 1.125 | 0.625 | 0.625 | 1.000 | 5/8-18 |
| CNBH-40-SB | 1/4 | 3/16 | 5/8 | 49/64 | 5/16 | 3/32 | 1.250 | 0.750 | 0.750 | 1.250 | 3/4-16 |
| CNBH-72-SB | 7/16 | 3/16 | 1 | 1 13/64 | 1/2 | 1/8 | 2.250 | 1.250 | 1.125 | 2.000 | 1 1/8-12 |
| CNBH-64-SB | 7/16 | 3/16 | 1 | 1 13/64 | 1/2 | 1/8 | 2.000 | 1.250 | 1.125 | 2.000 | 1 1/8-12 |
| CNBH-128-SB | 3/4 | 1/4 | 1 1/2 | 2 9/32 | 3/4 | 1/8 | 4.000 | 2.250 | 2.000 | 3.500 | 2-12 |
| CNBH-192-SB | 1 | 1/4 N.P.T. | 3 | 4 15/32 | 1 | 3/16 | 6.000 | 3.250 | 3.000 | 6.000 | 3-12 |
| CNBH-80-SB | 1/2 | 3/16 | 1 1/8 | 1 5/16 | 9/16 | 1/8 | 2.500 | 1.500 | 1.250 | 2.250 | 1 1/4-12 |
| CNBH-96-SB | 3/4 | 1/4 | 1 1/4 | 1 3/4 | 5/8 | 1/8 | 3.000 | 1.750 | 1.500 | 2.500 | 1 1/2-12 |
| CNBH-56-SB | 5/16 | 3/16 | 7/8 | 1 3/64 | 7/16 | 3/32 | 1.750 | 1.000 | 1.000 | 1.750 | 1-14 |
| CNBH-104-SB | 3/4 | 1/4 | 1 1/4 | 1 3/4 | 5/8 | 1/8 | 3.250 | 1.750 | 1.500 | 2.500 | 1 1/2-12 |
| CNBH-88-SB | 1/2 | 3/16 | 1 1/8 | 1 5/16 | 9/16 | 1/8 | 2.750 | 1.500 | 1.250 | 2.250 | 1 1/4-12 |
| CNBH-160-SB | 7/8 | 1/4 N.P.T. | 2 9/16 | 3 9/16 | 7/8 | 3/16 | 5.000 | 2.750 | 2.500 | 5.062 | 2 1/2-12 |
| CNBH-224-SB | 1 1/4 | 1/4 N.P.T. | 4 1/8 | 5 3/16 | 1 1/4 | 3/16 | 7.000 | 3.750 | 3.500 | 7.687 | 3 1/2-4 |
| CNBH-52-SB | 5/16 | 3/16 | 3/4 | 57/64 | 3/8 | 3/32 | 1.625 | 0.875 | 0.875 | 1.500 | 7/8-14 |
Ready to Get Started?
Whether you need a standard bearing, a custom solution, or a replacement for an obsolete part, Carter Bearings is here to deliver precision, speed, and lasting quality.