CDR-250-S
Specifications
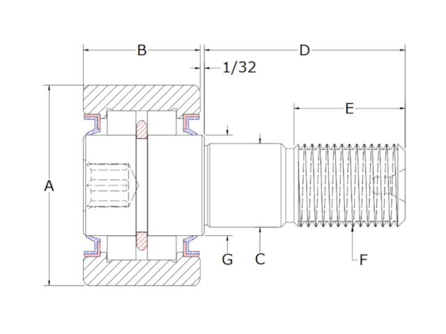
| Attribute | Callout | Value |
|---|---|---|
| Roller O.D. | A | 2.500 in |
| Roller Width | B | 1.500 in |
| Stud Diameter | C | 1.000 in |
| Stud Length | D | 2.250 in |
| M.E.T. | E | 1 1/8 in |
| Thread Class 2A | F | 1-14 |
| Shoulder Diameter | G | 1-1/4 in |
| Hex Size | X | 1/2 in |
| Basic Dynamic Rating | 16,800 lbf | |
| Limiting Speed | 3,700 RPM | |
| Max Static Capacity | 22,800 lbf | |
| Mounting Bore | 1.000 in | |
| Torque | 1,300 in-lb |
Custom Application
Creating custom solutions or modifying a standard product is our SPECIALTY! Lots of bearing manufacturers can offer you a custom solution, but they can’t do it as quickly as CARTER! Our Engineering and Production is all under one roof, right here in the United States! We have the agility to create and produce a custom solution faster than our competitors, and at a lower cost!
Call 616.842.8760 and speak with one of our customer service reps for more information.

