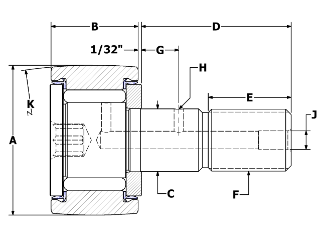
CSC-SB -Standard Stainless Crowned Hexed Sealed Cam Follower AA
| SKU | Crown Radius | Hex Size | Lube Fitting Size | M.E.T. | Min. Boss Diameter | Oil Hole Center | Oil Hole Diameter | Roller O.D. | Roller Width | Stud Diameter | Stud Length | Thread Class 2A |
|---|---|---|---|---|---|---|---|---|---|---|---|---|
| CSC-22-SB | 8 | 1/8 | 5/16 | 23/64 | 0.688 | 0.4375 | 0.250 | 0.750 | 1/4-28 | |||
| CSC-36-SB | 12 | 1/4 | 3/16 | 1/2 | 41/64 | 1/4 | 3/32 | 1.125 | 0.625 | 0.4375 | 1.000 | 7/16-20 |
| CSC-44-SB | 14 | 1/4 | 3/16 | 5/8 | 49/64 | 5/16 | 3/32 | 1.375 | 0.750 | 0.500 | 1.250 | 1/2-20 |
| CSC-52-SB | 20 | 5/16 | 3/16 | 3/4 | 57/64 | 3/8 | 3/32 | 1.625 | 0.875 | 0.625 | 1.500 | 5/8-18 |
| CSC-60-SB | 20 | 5/16 | 3/16 | 7/8 | 1 3/64 | 7/16 | 3/32 | 1.875 | 1.000 | 0.750 | 1.750 | 3/4-16 |
| CSC-16-SB | 7 | 1/8 | 1/4 | 19/64 | 0.500 | 0.375 | 0.190 | 0.625 | 10-32 | |||
| CSC-40-SB | 14 | 1/4 | 3/16 | 5/8 | 49/64 | 5/16 | 3/32 | 1.250 | 0.750 | 0.500 | 1.250 | 1/2-20 |
| CSC-32-SB | 12 | 1/4 | 3/16 | 1/2 | 41/64 | 1/4 | 3/32 | 1.000 | 0.625 | 0.4375 | 1.000 | 7/16-20 |
| CSC-24-SB | 10 | 3/16 | 3/16 | 3/8 | 1/2 | 1/4 | 3/32 | 0.750 | 0.500 | 0.375 | 0.875 | 3/8-24 |
| CSC-64-SB | 24 | 7/16 | 3/16 | 1 | 1 13/64 | 1/2 | 1/8 | 2.000 | 1.250 | 0.875 | 2.000 | 7/8-14 |
| CSC-48-SB | 20 | 5/16 | 3/16 | 3/4 | 57/64 | 3/8 | 3/32 | 1.500 | 0.875 | 0.625 | 1.500 | 5/8-18 |
| CSC-80-SB | 30 | 1/2 | 3/16 | 1 1/8 | 1 5/16 | 9/16 | 1/8 | 2.500 | 1.500 | 1.000 | 2.250 | 1-14 |
| CSC-72-SB | 24 | 7/16 | 3/16 | 1 | 1 13/64 | 1/2 | 1/8 | 2.250 | 1.250 | 0.875 | 2.000 | 7/8-14 |
| CSC-56-SB | 20 | 5/16 | 3/16 | 7/8 | 1 3/64 | 7/16 | 3/32 | 1.750 | 1.000 | 0.750 | 1.750 | 3/4-16 |
| CSC-20-SB | 8 | 1/8 | 5/16 | 23/64 | 0.625 | 0.4375 | 0.250 | 0.750 | 1/4-28 | |||
| CSC-28-SB | 10 | 3/16 | 3/16 | 3/8 | 1/2 | 1/4 | 3/32 | 0.875 | 0.500 | 0.375 | 0.875 | 3/8-24 |
Ready to Get Started?
Whether you need a standard bearing, a custom solution, or a replacement for an obsolete part, Carter Bearings is here to deliver precision, speed, and lasting quality.