YNB-44
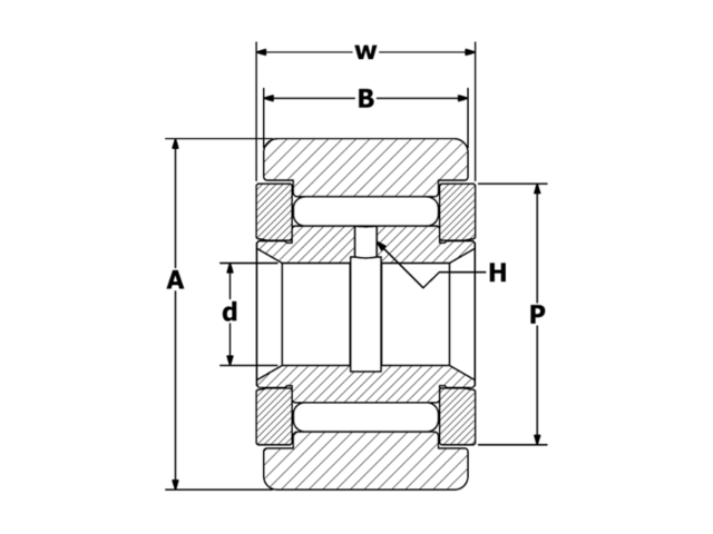
Specifications
| Attribute | Callout | Value |
|---|---|---|
| Roller O.D. | A | 1.375 in |
| Roller Width | B | 0.750 in |
| Oil Hole Diameter | H | 3/32 in |
| Min. Boss Diameter | P | 49/64 in |
| Overall Width | W | 0.8125 in |
| Bore Diameter | d | 0.375 in |
| Approx Weight | 0.3 lbs | |
| Basic Dynamic Rating | 3,930 lbf | |
| Limiting Speed | 2,800 RPM | |
| Max Static Capacity | 8,500 lbf | |
| Shaft Diameter(Ø) Drive Fit | 0.3751 in | |
| Shaft Diameter(Ø) Press Fit | 0.3753 in | |
| Shaft Diameter(Ø) Push Fit | 0.3745 in |
Custom Application
Creating custom solutions or modifying a standard product is our SPECIALTY! Lots of bearing manufacturers can offer you a custom solution, but they can’t do it as quickly as CARTER! Our Engineering and Production is all under one roof, right here in the United States! We have the agility to create and produce a custom solution faster than our competitors, and at a lower cost!
Call 616.842.8760 and speak with one of our customer service reps for more information.

