YNB-128
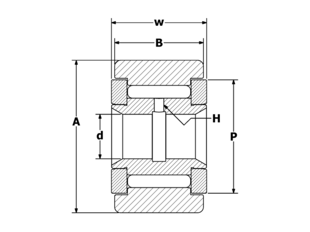
Specifications
| Attribute | Callout | Value |
|---|---|---|
| Roller O.D. | A | 4.000 in |
| Roller Width | B | 2.250 in |
| Oil Hole Diameter | H | 1/8 in |
| Min. Boss Diameter | P | 2 9/32 in |
| Overall Width | W | 2.3125 in |
| Bore Diameter | d | 1.250 in |
| Approx Weight | 7.05 lbs | |
| Basic Dynamic Rating | 29,985 lbf | |
| Limiting Speed | 700 RPM | |
| Max Static Capacity | 89,540 lbf | |
| Shaft Diameter(Ø) Drive Fit | 1.2502 in | |
| Shaft Diameter(Ø) Press Fit | 1.2506 in | |
| Shaft Diameter(Ø) Push Fit | 1.2494 in |
Custom Application
Creating custom solutions or modifying a standard product is our SPECIALTY! Lots of bearing manufacturers can offer you a custom solution, but they can’t do it as quickly as CARTER! Our Engineering and Production is all under one roof, right here in the United States! We have the agility to create and produce a custom solution faster than our competitors, and at a lower cost!
Call 616.842.8760 and speak with one of our customer service reps for more information.

