VHRY-950-A
Specifications
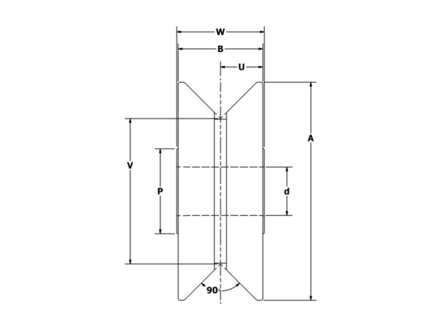
| Attribute | Callout | Value |
|---|---|---|
| Roller O.D. | A | 9.500 in |
| Roller Width | B | 4.250 in |
| Endplate Diameter | P | 4 3/4 in |
| V-Groove Location | U | 2.250 in |
| V-Groove Diameter | V | 8.000 in |
| Overall Width | W | 4.500 in |
| Bore Diameter | d | 3.255 in |
| Ball(BB) or Tapered(TRB) Roller Bearing | TRB | |
| Basic Dynamic Rating | 69,540 lbf | |
| Max Static Capacity | 69,540 lbf | |
| Thrust Capacity | 34,770 lbf |
Custom Application
Creating custom solutions or modifying a standard product is our SPECIALTY! Lots of bearing manufacturers can offer you a custom solution, but they can’t do it as quickly as CARTER! Our Engineering and Production is all under one roof, right here in the United States! We have the agility to create and produce a custom solution faster than our competitors, and at a lower cost!
Call 616.842.8760 and speak with one of our customer service reps for more information.

