VHRY-500-A
Specifications
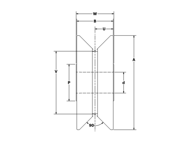
| Attribute | Callout | Value |
|---|---|---|
| Roller O.D. | A | 5.000 in |
| Roller Width | B | 2.000 in |
| Endplate Diameter | P | 2 in |
| V-Groove Location | U | 1.030 in |
| V-Groove Diameter | V | 3.500 in |
| Overall Width | W | 2.062 in |
| Bore Diameter | d | 1.125 in |
| Ball(BB) or Tapered(TRB) Roller Bearing | TRB | |
| Basic Dynamic Rating | 17,590 lbf | |
| Max Static Capacity | 27,200 lbf | |
| Thrust Capacity | 13,100 lbf |
Custom Application
Creating custom solutions or modifying a standard product is our SPECIALTY! Lots of bearing manufacturers can offer you a custom solution, but they can’t do it as quickly as CARTER! Our Engineering and Production is all under one roof, right here in the United States! We have the agility to create and produce a custom solution faster than our competitors, and at a lower cost!
Call 616.842.8760 and speak with one of our customer service reps for more information.

