VHRE-200-A
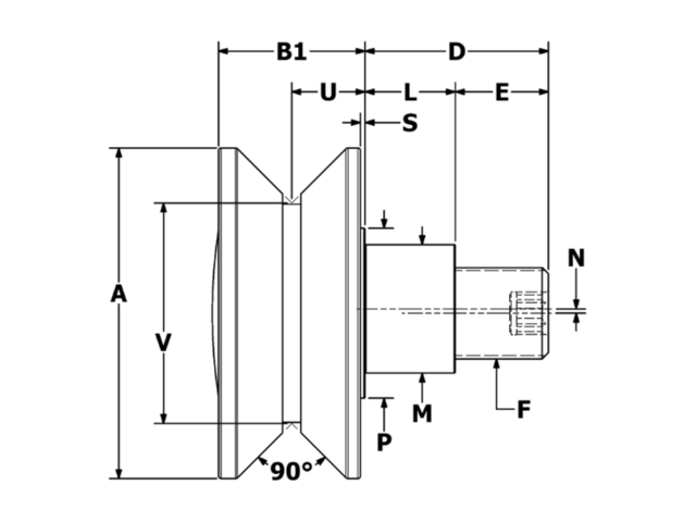
Specifications
| Attribute | Callout | Value |
|---|---|---|
| Roller O.D. | A | 2.000 in |
| Roller Width | B1 | 0.844 in |
| Stud Length | D | 1.250 in |
| M.E.T. | E | 0.625 in |
| Thread Class 2A | F | 1/2-20 |
| Bushing Length | L | 0.625 in |
| Bushing Diameter | M | 0.687 in |
| Eccentric Offset | N | 0.030 in |
| Endplate Diameter | P | 0.812 in |
| Endplate Stickout | S | 0.031 in |
| V-Groove Location | U | 0.422 in |
| V-Groove Diameter | V | 1.375 in |
| Hex Size | X | 3/16 in |
| Ball(BB) or Tapered(TRB) Roller Bearing | BB | |
| Basic Dynamic Rating | 1,350 lbf | |
| Dynamic Thrust Load | 370 lbf | |
| Max Static Capacity | 600 lbf | |
| Torque | 8 ft-lb |
Custom Application
Creating custom solutions or modifying a standard product is our SPECIALTY! Lots of bearing manufacturers can offer you a custom solution, but they can’t do it as quickly as CARTER! Our Engineering and Production is all under one roof, right here in the United States! We have the agility to create and produce a custom solution faster than our competitors, and at a lower cost!
Call 616.842.8760 and speak with one of our customer service reps for more information.

