NYR-72
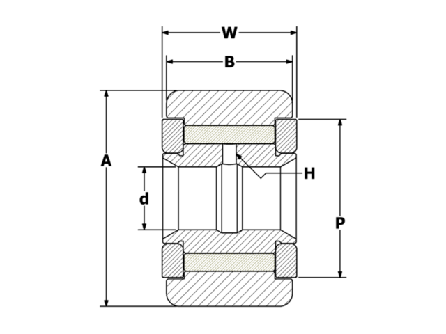
Specifications
| Attribute | Callout | Value |
|---|---|---|
| Roller O.D. | A | 2.250 in |
| Roller Width | B | 1.250 in |
| Oil Hole Diameter | H | 1/8 in |
| Min. Boss Diameter | P | 1 13/64 in |
| Overall Width | W | 1.3125 in |
| Bore Diameter | d | 0.625 in |
| Load Factor | 0.928 | |
| Shaft Diameter (recommended) | 0.6247 in |
Custom Application
Creating custom solutions or modifying a standard product is our SPECIALTY! Lots of bearing manufacturers can offer you a custom solution, but they can’t do it as quickly as CARTER! Our Engineering and Production is all under one roof, right here in the United States! We have the agility to create and produce a custom solution faster than our competitors, and at a lower cost!
Call 616.842.8760 and speak with one of our customer service reps for more information.

