MCNBE-35-SBX
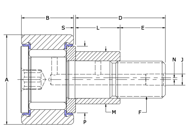
Specifications
| Attribute | Callout | Value |
|---|---|---|
| Roller O.D. | A | 35 mm |
| Roller Width | B | 18 mm |
| Stud Length | D | 32.5 mm |
| M.E.T. | E | 18 mm |
| Thread Class 6g | F | M16x1.50 |
| Oil Hole Center | G | 8 mm |
| Oil Hole Diameter | H | 3 mm |
| Lube Fitting Size | J | 6 mm |
| Bushing Length | L | 14 mm |
| Bushing Diameter | M | 20 mm |
| Eccentric Offset | N | 1.0 mm |
| Endplate Diameter | P | 24 mm |
| Endplate Stickout | S | 0.8 mm |
| Hex Size | X | 8 mm |
| Basic Dynamic Rating | 16,970 newtons | |
| Limiting Speed | 4,200 RPM | |
| Max Static Capacity | 28,500 newtons | |
| Mounting Bore | 20.050 mm | |
| Torque | 28.5 Nm |
Custom Application
Creating custom solutions or modifying a standard product is our SPECIALTY! Lots of bearing manufacturers can offer you a custom solution, but they can’t do it as quickly as CARTER! Our Engineering and Production is all under one roof, right here in the United States! We have the agility to create and produce a custom solution faster than our competitors, and at a lower cost!
Call 616.842.8760 and speak with one of our customer service reps for more information.

