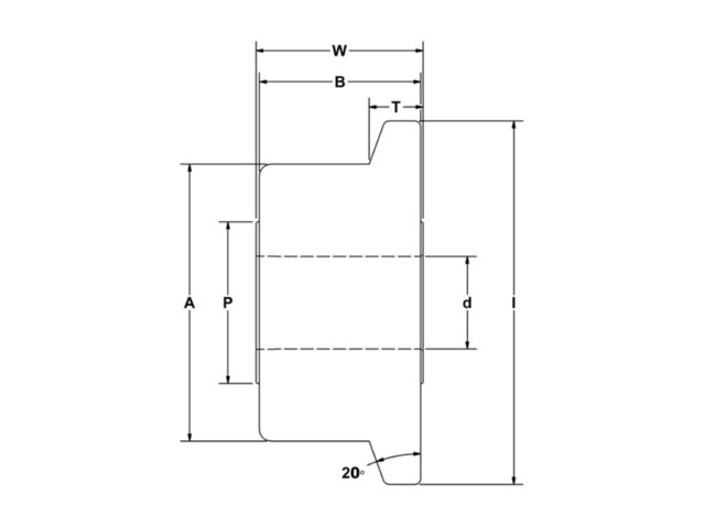
FHRY-250-A
Specifications
| Attribute | Callout | Value |
|---|---|---|
| Roller O.D. | A | 2.500 in |
| Roller Width | B | 1.500 in |
| Flange Diameter | I | 3 3/16 in |
| Endplate Diameter | P | 1 1/4 in |
| Flange Width | T | 0.500 in |
| Overall Width | W | 1.562 in |
| Bore Diameter | d | 0.750 in |
| Approx Weight | 1.3 lbs | |
| Ball(BB) or Tapered(TRB) Roller Bearing | TRB | |
| Basic Dynamic Rating | 10,880 lbf | |
| Max Static Capacity | 7,630 lbf | |
| Thrust Capacity | 4,570 lbf |
Custom Application
Creating custom solutions or modifying a standard product is our SPECIALTY! Lots of bearing manufacturers can offer you a custom solution, but they can’t do it as quickly as CARTER! Our Engineering and Production is all under one roof, right here in the United States! We have the agility to create and produce a custom solution faster than our competitors, and at a lower cost!
Call 616.842.8760 and speak with one of our customer service reps for more information.

