FHRE-250-A
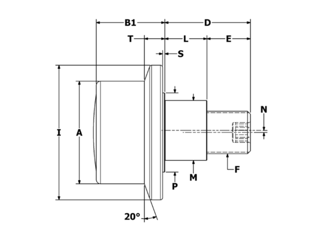
Specifications
| Attribute | Callout | Value |
|---|---|---|
| Roller O.D. | A | 2.500 in |
| Roller Width | B1 | 1.687 in |
| Stud Length | D | 2.250 in |
| M.E.T. | E | 1.145 in |
| Thread Class 2A | F | 1-14 |
| Flange Diameter | I | 3.188 in |
| Bushing Length | L | 1.105 in |
| Bushing Diameter | M | 1.375 in |
| Eccentric Offset | N | 0.030 in |
| Endplate Diameter | P | 1.687 in |
| Endplate Stickout | S | 0.062 in |
| Flange Width | T | 0.594 in |
| Hex Size | X | 1/2 in |
| Approx Weight | 3 lbs | |
| Ball(BB) or Tapered(TRB) Roller Bearing | BB | |
| Basic Dynamic Rating | 5,190 lbf | |
| Dynamic Thrust Load | 1,400 lbf | |
| Max Static Capacity | 2,270 lbf | |
| Torque | 25 ft-lb |
Custom Application
Creating custom solutions or modifying a standard product is our SPECIALTY! Lots of bearing manufacturers can offer you a custom solution, but they can’t do it as quickly as CARTER! Our Engineering and Production is all under one roof, right here in the United States! We have the agility to create and produce a custom solution faster than our competitors, and at a lower cost!
Call 616.842.8760 and speak with one of our customer service reps for more information.

