FHRE-112-A
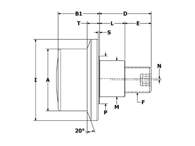
Specifications
| Attribute | Callout | Value |
|---|---|---|
| Roller O.D. | A | 1.125 in |
| Roller Width | B1 | 0.781 in |
| Stud Length | D | 1.000 in |
| M.E.T. | E | 0.500 in |
| Thread Class 2A | F | 7/16-20 |
| Flange Diameter | I | 1.500 in |
| Bushing Length | L | 0.500 in |
| Bushing Diameter | M | 0.625 in |
| Eccentric Offset | N | 0.030 in |
| Endplate Diameter | P | 0.750 in |
| Endplate Stickout | S | 0.031 in |
| Flange Width | T | 0.219 in |
| Hex Size | X | 3/16 in |
| Ball(BB) or Tapered(TRB) Roller Bearing | BB | |
| Basic Dynamic Rating | 630 lbf | |
| Dynamic Thrust Load | 140 lbf | |
| Max Static Capacity | 230 lbf | |
| Torque | 8 ft-lb |
Custom Application
Creating custom solutions or modifying a standard product is our SPECIALTY! Lots of bearing manufacturers can offer you a custom solution, but they can’t do it as quickly as CARTER! Our Engineering and Production is all under one roof, right here in the United States! We have the agility to create and produce a custom solution faster than our competitors, and at a lower cost!
Call 616.842.8760 and speak with one of our customer service reps for more information.

