FHR-175-A
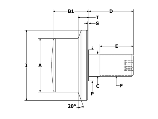
Specifications
| Attribute | Callout | Value |
|---|---|---|
| Roller O.D. | A | 1.750 in |
| Roller Width | B1 | 1.187 in |
| Stud Diameter | C | 0.750 in |
| Stud Length | D | 1.750 in |
| M.E.T. | E | 7/8 in |
| Thread Class 2A | F | 3/4-16 |
| Flange Diameter | I | 2.438 in |
| Endplate Diameter | P | 1.000 in |
| Endplate Stickout | S | 0.062 in |
| Flange Width | T | 0.344 in |
| Hex Size | X | 5/16 in |
| Approx Weight | 1 lbs | |
| Ball(BB) or Tapered(TRB) Roller Bearing | BB | |
| Basic Dynamic Rating | 2,760 lbf | |
| Dynamic Thrust Load | 680 lbf | |
| Max Static Capacity | 1,100 lbf | |
| Torque | 25 ft-lb |
Custom Application
Creating custom solutions or modifying a standard product is our SPECIALTY! Lots of bearing manufacturers can offer you a custom solution, but they can’t do it as quickly as CARTER! Our Engineering and Production is all under one roof, right here in the United States! We have the agility to create and produce a custom solution faster than our competitors, and at a lower cost!
Call 616.842.8760 and speak with one of our customer service reps for more information.

