CSY-80-S
Specifications
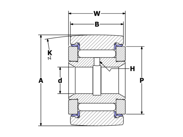
| Attribute | Callout | Value |
|---|---|---|
| Roller O.D. | A | 2.500 in |
| Roller Width | B | 1.500 in |
| Oil Hole Diameter | H | 1/8 in |
| Crown Radius | K | 30 in |
| Min. Boss Diameter | P | 1 5/16 in |
| Overall Width | W | 1.5625 in |
| Bore Diameter | d | 0.750 in |
| Approx Weight | 1.8 lbs | |
| Basic Dynamic Rating | 10,430 lbf | |
| Limiting Speed | 1,100 RPM | |
| Max Static Capacity | 12,335 lbf | |
| Shaft Diameter(Ø) Drive Fit | 0.7501 in | |
| Shaft Diameter(Ø) Press Fit | 0.7505 in | |
| Shaft Diameter(Ø) Push Fit | 0.7495 in |
Custom Application
Creating custom solutions or modifying a standard product is our SPECIALTY! Lots of bearing manufacturers can offer you a custom solution, but they can’t do it as quickly as CARTER! Our Engineering and Production is all under one roof, right here in the United States! We have the agility to create and produce a custom solution faster than our competitors, and at a lower cost!
Call 616.842.8760 and speak with one of our customer service reps for more information.

