CSY-72-S
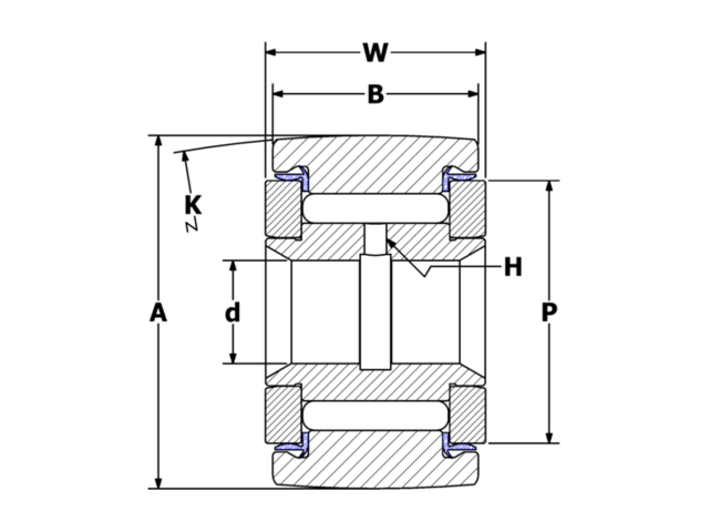
Specifications
| Attribute | Callout | Value |
|---|---|---|
| Roller O.D. | A | 2.250 in |
| Roller Width | B | 1.250 in |
| Oil Hole Diameter | H | 1/8 in |
| Crown Radius | K | 24 in |
| Min. Boss Diameter | P | 1 13/64 in |
| Overall Width | W | 1.3125 in |
| Bore Diameter | d | 0.625 in |
| Approx Weight | 1.32 lbs | |
| Basic Dynamic Rating | 7,270 lbf | |
| Limiting Speed | 1,300 RPM | |
| Max Static Capacity | 17,600 lbf | |
| Shaft Diameter(Ø) Drive Fit | 0.6251 in | |
| Shaft Diameter(Ø) Press Fit | 0.6255 in | |
| Shaft Diameter(Ø) Push Fit | 0.6245 in |
Custom Application
Creating custom solutions or modifying a standard product is our SPECIALTY! Lots of bearing manufacturers can offer you a custom solution, but they can’t do it as quickly as CARTER! Our Engineering and Production is all under one roof, right here in the United States! We have the agility to create and produce a custom solution faster than our competitors, and at a lower cost!
Call 616.842.8760 and speak with one of our customer service reps for more information.

