CSY-56-S
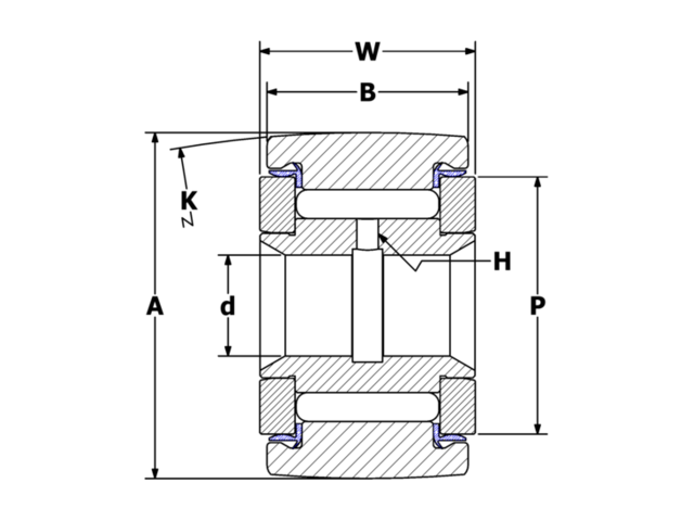
Specifications
| Attribute | Callout | Value |
|---|---|---|
| Roller O.D. | A | 1.750 in |
| Roller Width | B | 1.000 in |
| Oil Hole Diameter | H | 3/32 in |
| Crown Radius | K | 20 in |
| Min. Boss Diameter | P | 1 3/64 in |
| Overall Width | W | 1.0625 in |
| Bore Diameter | d | 0.500 in |
| Approx Weight | 0.64 lbs | |
| Basic Dynamic Rating | 5,730 lbf | |
| Limiting Speed | 2,200 RPM | |
| Max Static Capacity | 14,800 lbf | |
| Shaft Diameter(Ø) Drive Fit | 0.5001 in | |
| Shaft Diameter(Ø) Press Fit | 0.5005 in | |
| Shaft Diameter(Ø) Push Fit | 0.4995 in |
Custom Application
Creating custom solutions or modifying a standard product is our SPECIALTY! Lots of bearing manufacturers can offer you a custom solution, but they can’t do it as quickly as CARTER! Our Engineering and Production is all under one roof, right here in the United States! We have the agility to create and produce a custom solution faster than our competitors, and at a lower cost!
Call 616.842.8760 and speak with one of our customer service reps for more information.

