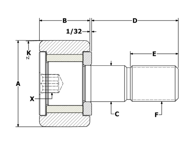
CSFH-32-A
Specifications
| Attribute | Callout | Value |
|---|---|---|
| Roller O.D. | A | 1.000 in |
| Roller Width | B | 0.625 in |
| Stud Diameter | C | 0.4375 in |
| Stud Length | D | 1.000 in |
| M.E.T. | E | 1/2 in |
| Thread Class 2A | F | 7/16-20 |
| Crown Radius | K | 12 in |
| Hex Size | X | 1/4 in |
| Approx Weight | 0.17 lbs | |
| Load Factor | 0.250 | |
| Min. Boss Diameter | 41/64 in | |
| Mounting Bore | 0.438 in | |
| Torque | 125 in-lb |
Custom Application
Creating custom solutions or modifying a standard product is our SPECIALTY! Lots of bearing manufacturers can offer you a custom solution, but they can’t do it as quickly as CARTER! Our Engineering and Production is all under one roof, right here in the United States! We have the agility to create and produce a custom solution faster than our competitors, and at a lower cost!
Call 616.842.8760 and speak with one of our customer service reps for more information.

