CRT-24-SB
Specifications
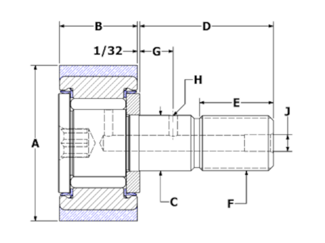
| Attribute | Callout | Value |
|---|---|---|
| Roller O.D. | A | 0.750 in |
| Roller Width | B | 0.375 in |
| Stud Diameter | C | 0.190 in |
| Stud Length | D | 0.625 in |
| M.E.T. | E | 1/4 in |
| Thread Class 2A | F | 10-32 |
| Hex Size | X | 1/8 |
| Approx Weight | 0.03 lbs | |
| Min. Boss Diameter | 19/64 | |
| Mounting Bore | 0.190 | |
| Torque | 7.5 in-lb |
Custom Application
Creating custom solutions or modifying a standard product is our SPECIALTY! Lots of bearing manufacturers can offer you a custom solution, but they can’t do it as quickly as CARTER! Our Engineering and Production is all under one roof, right here in the United States! We have the agility to create and produce a custom solution faster than our competitors, and at a lower cost!
Call 616.842.8760 and speak with one of our customer service reps for more information.

