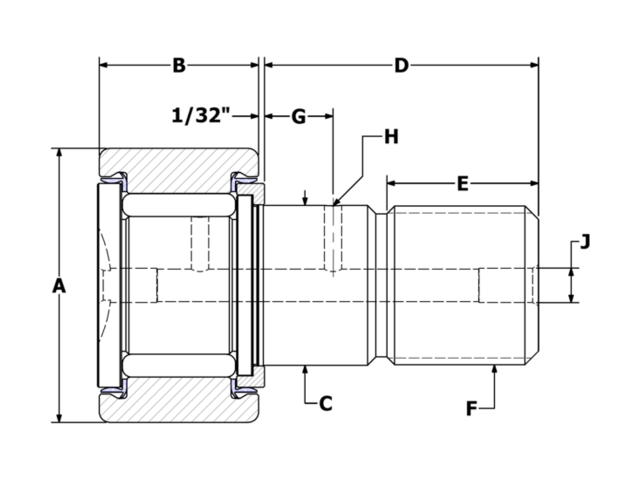
CNBH-24-S
Specifications
| Attribute | Callout | Value |
|---|---|---|
| Roller O.D. | A | 0.750 in |
| Roller Width | B | 0.500 in |
| Stud Diameter | C | 0.4375 in |
| Stud Length | D | 0.875 in |
| M.E.T. | E | 3/8 in |
| Thread Class 2A | F | 7/16-20 |
| Oil Hole Center | G | 1/4 in |
| Oil Hole Diameter | H | 3/32 in |
| Lube Fitting Size | J | 3/16 in |
| Approx Weight | 0.08 lbs | |
| Basic Dynamic Rating | 1,660 lbf | |
| Limiting Speed | 6,400 RPM | |
| Max Static Capacity | 4,130 lbf | |
| Min. Boss Diameter | 1/2 in | |
| Mounting Bore | 0.438 in | |
| Torque | 125 in-lb |
Custom Application
Creating custom solutions or modifying a standard product is our SPECIALTY! Lots of bearing manufacturers can offer you a custom solution, but they can’t do it as quickly as CARTER! Our Engineering and Production is all under one roof, right here in the United States! We have the agility to create and produce a custom solution faster than our competitors, and at a lower cost!
Call 616.842.8760 and speak with one of our customer service reps for more information.

