CNB-256-SB
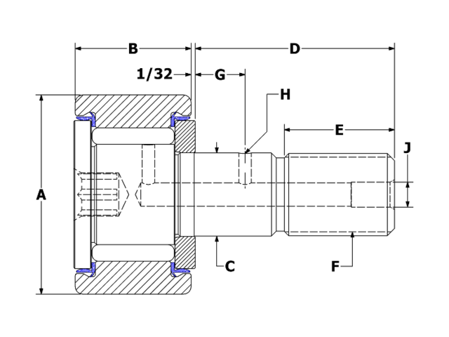
Specifications
| Attribute | Callout | Value |
|---|---|---|
| Roller O.D. | A | 8.000 in |
| Roller Width | B | 4.250 in |
| Stud Diameter | C | 3.250 in |
| Stud Length | D | 8.500 in |
| M.E.T. | E | 4 1/4 in |
| Thread Class 2A | F | 3 1/4-4 |
| Lube Fitting Size | J | 1/4 N.P.T. |
| Hex Size | X | 1 1/4 |
| Basic Dynamic Rating | 92,200 lbf | |
| Limiting Speed | 350 RPM | |
| Max Static Capacity | 144,100 lbf | |
| Min. Boss Diameter | 4 3/4 | |
| Mounting Bore | 3.250 | |
| Torque | 2500 in-lb |
Custom Application
Creating custom solutions or modifying a standard product is our SPECIALTY! Lots of bearing manufacturers can offer you a custom solution, but they can’t do it as quickly as CARTER! Our Engineering and Production is all under one roof, right here in the United States! We have the agility to create and produce a custom solution faster than our competitors, and at a lower cost!
Call 616.842.8760 and speak with one of our customer service reps for more information.

