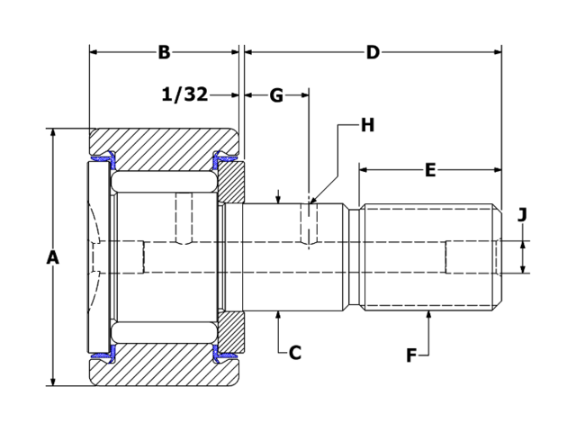
CNB-S -Standard Slotted Sealed Cam Follower
| SKU | Lube Fitting Size | M.E.T. | Min. Boss Diameter | Oil Hole Center | Oil Hole Diameter | Roller O.D. | Roller Width | Stud Diameter | Stud Length | Thread Class 2A |
|---|---|---|---|---|---|---|---|---|---|---|
| CNB-16-S | 1/8 | 1/4 | 19/64 | 0.500 | 0.375 | 0.190 | 0.625 | 10-32 | ||
| CNB-36-S | 3/16 | 1/2 | 41/64 | 1/4 | 3/32 | 1.125 | 0.625 | 0.4375 | 1.000 | 7/16-20 |
| CNB-56-S | ||||||||||
| CNB-32-S | 3/16 | 1/2 | 41/64 | 1/4 | 3/32 | 1.000 | 0.625 | 0.4375 | 1.000 | 7/16-20 |
| CNB-24-S | 3/16 | 3/8 | 1/2 | 1/4 | 3/32 | 0.750 | 0.500 | 0.375 | 0.875 | 3/8-24 |
| CNB-40-S | 3/16 | 5/8 | 49/64 | 5/16 | 3/32 | 1.250 | 0.750 | 0.500 | 1.250 | 1/2-20 |
| CNB-64-S | 3/16 | 1 | 1 13/64 | 1/2 | 1/8 | 2.000 | 1.250 | 0.875 | 2.000 | 7/8-14 |
| CNB-48-S | ||||||||||
| CNB-96-S | 1/4 | 1 1/4 | 1 3/4 | 5/8 | 1/8 | 3.000 | 1.750 | 1.250 | 2.500 | 1 1/4-12 |
| CNB-20-S | 1/8 | 5/16 | 23/64 | 0.625 | 0.4375 | 0.250 | 0.750 | 1/4-28 | ||
| CNB-112-S | 1/4 | 1 3/8 | 1 59/64 | 11/16 | 1/8 | 3.500 | 2.000 | 1.375 | 2.750 | 1 3/8-12 |
| CNB-28-S | 3/16 | 3/8 | 1/2 | 1/4 | 3/32 | 0.875 | 0.500 | 0.375 | 0.875 | 3/8-24 |
| CNB-80-S | 3/16 | 1 1/8 | 1 5/16 | 9/16 | 1/8 | 2.500 | 1.500 | 1.000 | 2.250 | 1-14 |
| CNB-88-S | 3/16 | 1 1/8 | 1 5/16 | 9/16 | 1/8 | 2.750 | 1.500 | 1.000 | 2.250 | 1-14 |
| CNB-22-S | 1/8 | 5/16 | 23/64 | 0.688 | 0.4375 | 0.250 | 0.750 | 1/4-28 | ||
| CNB-128-S | 1/4 | 1 1/2 | 2 9/32 | 3/4 | 1/8 | 4.000 | 2.250 | 1.500 | 3.500 | 1 1/2-12 |
| CNB-60-S | 3/16 | 7/8 | 1 3/64 | 7/16 | 3/32 | 1.875 | 1.000 | 0.750 | 1.750 | 3/4-16 |
| CNB-44-S | ||||||||||
| CNB-52-S | ||||||||||
| CNB-104-S | 1/4 | 1 1/4 | 1 3/4 | 5/8 | 1/8 | 3.250 | 1.750 | 1.250 | 2.500 | 1 1/4-12 |
| CNB-16-NS | 1/8 | 1/4 | 19/64 | 0.500 | 0.344 | 0.190 | 0.500 | 10-32 | ||
| CNB-20-NS | 1/8 | 5/16 | 23/64 | 0.625 | 0.406 | 0.250 | 0.625 | 1/4-28 | ||
| CNB-72-S | 3/16 | 1 | 1 13/64 | 1/2 | 1/8 | 2.250 | 1.250 | 0.875 | 2.000 | 7/8-14 |
Ready to Get Started?
Whether you need a standard bearing, a custom solution, or a replacement for an obsolete part, Carter Bearings is here to deliver precision, speed, and lasting quality.